建议点击目录进行跳转
转自游戏官方
前言(第1~3页)



——————————————————————————
章节1:模块(第4~16页)

关于线路模块(第5页)

关于按钮模块(第6页)

关于键盘模块(第7页)

关于四色方块(第8页)

关于它叫什么模块(第9~10页)


关于记忆模块(第11页)

关于摩斯密码(第12页)

关于复杂线路(第13页)

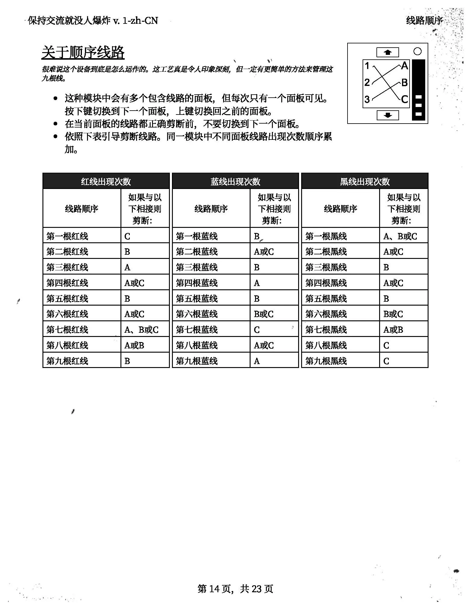
关于顺序线路(第14页)

关于迷宫模块(第15页)

关于密码模块(第16页)

——————————————————————————
章节2:特需模块(第17~19页)

关于排气模块(第18页)

关于电容放电(第19页)

关于旋转按钮(第20页)

——————————————————————————
附录(第21~23页)
附录A:指示表(第21页)

附录B:电池表(第22页)

附录C:端口表(第23页)





换一换 












