这是一份《Nucleares》的指南,包含反应堆操作清单,若游戏发布更新也会纳入其中。本指南提供德语和英语版本。手册也可供下载。信息/信息

上次更新时间:1/5/26(补丁203) 注意:补丁193-210的所有检查清单均有效,并包含新的真空/冷凝器系统 上次更新时间:05.01.2026(补丁203) 注意:补丁193–210的检查清单均有效,并包含新的真空/冷凝器系统。 初始工厂启动,无化学品 1. 激活所有终端 2. 外部电源:开启 3. 发电机:手动且关闭 4. 稳压器恒温器:开启 5. 稳压器加热器:开启 – 当稳压器水温达到340°时 – 6. 稳压器加热器:设为低 7. 旁通阀:设为100 8. 电阻器组:开启 8. 主蒸汽控制阀:设为6 9. SMSI阀:设为100 10. OMSI阀:设为100 11. 冷凝器泵:开启;设为50(中等) 12. 工厂运行模式:正常 13. 装载燃料 14.主泵:开启;设定为15 15. 控制棒:设定为93.3 -- 当蒸汽发生器冷却剂体积达到25,000时 -- 16. 辅助泵:开启;设定为25 -- 当滞留罐达到50%时 -- 17. 真空泵:开启;确认处于启动模式 18. 旁通阀:设定为0 -- 当真空压力达到0.1巴时 -- 19. 真空泵模式:运行 20. (可选)当旁通阀达到0时,SMSI(蒸汽轮机监控界面):设定为0 – 当滞留罐上升至49.75时 – 21. OMSI(操作员监控界面):设定为30 -- 当涡轮扭矩≥2.0时(或在适当时间) -- 22. 向城市请求启动 -- 当涡轮转速达到3052 RPM时 -- 23. 使用同步示波器;在3060 RPM时,停止点位于中间顶部位置 1. 激活所有连接 2. 外部电源:开启 3. 发电机:手动且关闭 4. 稳压器恒温器:开启 5.启动正常循环 - 主泵调至15档 - 当超压达到60巴时,MSCV调至5档,次级泵调至25档 - OMSI调至15档(用于第二个循环,第三个循环调至7或8档) - 通过同步示波器将涡轮与电网连接(转速3060转/分钟) 12. 根据需求进行调整 单循环停机(用于维护) 1. 电阻组:开启 2. 调整其余循环的功率输出以满足需求 3. 在同步示波器上选择正确的循环 4. 断路器:断开 5. 主冷却剂泵:调至0档(可选:关闭开关) 6. 旁通阀:调至100档 7. MSCV:调至100档 8. 次级冷却剂泵:调至25档(关闭以达到适当的填充水平) — 若不使用真空泵,跳至第13步 — 9.真空泵:开启(确认设置为运行模式) 10. CRV:设置为000 11. OMSI:按需设置(单回路运行时维持 retention tank 液位设为30,双回路设为15) 12. SMSI:按需设置(若使用旁通,且需要维持 retention tank 液位) - 监控 retention tank 液位 - 监控冷凝器温度 --- 当 STG 温度 ≤ 100 且液位达到预期时 --- 13. 二次冷却液泵:关闭(液位将继续上升,尤其是压力>1时(单回路启动时为45k,降至18k)) 14. 电阻组关闭(可选) 1. 电阻组:开启 2. 根据需求调整剩余回路的功率输出 3. 在同步示波器上选择正确的回路 4. 保护开关:关闭 5. 一次冷却液泵:调至0(可选:关闭开关) 6.旁通阀:调至100 7. 主蒸汽控制阀:调至100 8. 辅助冷却液泵:调至25(关闭以达到正确液位) — 若未使用真空泵,直接进行步骤13 — 9. 真空泵:开启(检查运行模式) 10. 控制棒驱动机构:调至000 11. 一次侧补水隔离阀:按需调节(循环运行时调至30以维持膨胀罐液位,两次循环调至15) 12. 二次侧补水隔离阀:按需调节(若使用旁通阀,可调节以维持膨胀罐液位) - 监控膨胀罐液位 - 监控冷凝器温度 --- 当蒸汽发生器温度≤100且液位达到期望值时 --- 13.二次冷却剂泵:关闭(液位持续上升,尤其是在压力>1时(单回路启动电阻为45 kΩ,最高至18 kΩ)) 14. 关闭电阻组(可选) 多回路及反应堆完全停堆 1. 请求维护停堆。 -- 距离城市维护停堆时间前1小时 -- 2. 运行模式:停堆 3. 外部电源:开启 4. 备用发电机:手动 5. 电阻组:开启 6. 冷凝器泵:设置为50 -- 针对第一回路 -- 7. 选择正确的同步示波器回路 8. 打开涡轮回路 9. 旁通:设置为100 10. 主蒸汽控制阀:设置为100 11. 主泵:设置为0 12. 二次泵:设置为25(可选:达到所需的蒸汽发生器液位或温度时关闭) 13.启动真空泵;运行模式 14. 调节OMSI和SMSI阀门以维持滞留罐液位(若使用3个回路中的2个,则重复步骤) ——对于最终回路——(请求AO维护报告) 15. 控制棒:设置为100 16. 选择正确的同步示波器回路 17. 打开涡轮回路 18. 旁通:设置为100 19. MSCV:设置为100 20. 主泵:设置为0 21. 次泵:设置为25(达到所需的STG填充液位时关闭;目标50k时设为47k) ——一旦涡轮转速=000—— 22. 真空泵关闭 23. SMSI调至000(可选) 24. OMSI调至000(可选) 25. 稳压器加热器:关闭 26. 稳压器恒温器:关闭 27. 冷凝器泵:关闭 达到正确填充液位(或温度)后关闭次泵 电阻器组:关闭 变压器:关闭(如需维护) 1. 请求维护停机-- 距离城市计划中的维护关闭还有1小时 -- 2. 运行模式:关闭 3. 外部电源:开启 4. 应急发电机:手动 5. 电阻器组:开启 6. 冷凝器泵:调至50 -- 针对第一个回路 -- 7. 选择正确的同步示波器回路 8. 打开涡轮回路 9. 旁通:调至100 10. MSCV:调至100 11. 主泵:调至0 12. 次级泵:调至25(可选:当STG达到所需液位或温度时关闭) 13. 启动真空泵;运行模式 14. 调节OMSI和SMSI阀门以维持储液罐液位。 (如果使用3个回路中的2个,请重复上述步骤。)-- 最后循环操作 -- (请求AO维护报告) 15. 控制杆:调至100 16. 选择正确的同步示波器循环 17. 打开涡轮机循环 18. 旁通阀:调至100 19. MSCV:调至100 20. 主泵:调至0 21. 次级泵:调至25(当STG达到所需液位时关闭;目标50k时调至47k) – 当涡轮转速为000时 – 22. 关闭真空泵 23. 将SMSI调至000(可选) 24. 将OMSI调至000(可选) 25. 稳压器加热:关闭 26. 稳压器恒温器:关闭 27. 冷凝器泵:关闭 当达到正确液位时关闭次级泵(或达到正确温度时:电阻器组:关闭 变压器:关闭(如需进行维护工作) 工厂重启,使用化学品 1. 变压器:确认开启 2. 稳压器恒温器:开启 3. 稳压器加热器:开启(确认设为中等或所需档位) 4. RCV:打开 5. RCV:关闭(一旦堆芯容器液位达到2380或所需液位) – 当稳压器水温达到200°时 – 6. 硼注入泵:50 – 当稳压器水温达到340°时 – 7. 稳压器加热器:设为低 8. 旁通:设为0 9. 电阻器组:开启 10. MSCV:设为0 11. SMSI阀:确认设为100(或所需值) 12. OMSI阀:确认设为100 13. 冷凝器泵:开启;设为25(低) 14. 运行模式:正常 15. 主泵:开启;设为15控制棒:设定以启动反应堆(适用于硼浓度600-700) – 当汽轮机压力达到20巴时 – 17. 真空泵:开启;设定为启动模式 – 当汽轮机压力达到55巴(或所需压力)且冷凝器压力达到0.1时 – 18. 主蒸汽控制阀:设定为5 – 当汽轮机冷却剂体积达到25,000(或所需液位)时 – 19. 二次泵:开启;设定为25 – 当滞留罐达到50%时 – 20. 真空泵模式:运行 – 当滞留罐上升至49.75时 – 21. 在线监测系统:设定以维持液位(1回路为30,2回路为15,3回路为10) 22. 在适当时间向城市请求启动 23. 监控堆芯温度;必要时调整控制棒 24. 监控硼浓度;在2700时停止加药 – 当汽轮机转速达到约3060转/分时 – 25.使用同步示波器;在3060 RPM时将光点停在中间顶部位置 -- 一旦光点变为绿色 -- - 确认“同步”指示灯为绿色 26. 断路器:闭合 27. 外部电源:关闭 28. 备用发电机:自动 1. 变压器:确认开启 2. 稳压器温控器:开启 3. 稳压器加热器:开启(确认设为中档或按需设置) 4. 反应堆冷却剂系统:开启 5. 反应堆冷却剂系统:关闭(当堆芯容器液位达到2380或所需液位时) – 当稳压器水温达到200°C时 – 6. 硼注泵:50 – 当稳压器水温达到340°C时 – 7. 稳压器加热器:调至低档 8. 旁通:调至0 9. 电阻器组:开启 10. 主蒸汽控制阀:调至0 11. SMSI阀:调至100(或按需设置) 12.PZR加热器:开启 – 一旦稳压器水温达到340°C – 6. PZR加热器:调至低 7. 旁通阀:调至100 8. 电阻组:开启 9. MSCV:调至6 10. SMSI阀门:调至100 11. OMSI阀门:调至100 12. 冷凝泵:开启;调至50(中) 13. 设备运行模式:正常 14. 加载燃料 15. 主泵:开启;调至15 16. 控制棒:调至93.3 – 一旦冷却装置冷却液液位达到25,000立方米 – 17. 次级泵:开启;调至25 -- 一旦储存罐达到50% – 17. 真空泵:开启;检查启动模式 18. 旁通阀:调至0 -- 一旦真空压力达到0.1巴 – 19.OMSI阀门:调至100 13. 冷凝泵:开启;调至25(低) 14. 运行模式:正常 15. 主泵:开启;调至15 16. 控制棒:调至反应堆启动位置(针对硼浓度600–700) – 当STG压力达到20巴时 – 17. 真空泵:开启;调至启动模式 – 当STG压力达到55巴(或按需)且冷凝压力达到0.1巴时 – 18. MSCV:调至5 – 当STG中的冷却剂液位达到25000立方米(或所需值)时 – 19. 次级泵:开启;调至25 – 当储存容器填充至50%时 – 20. 真空泵模式:运行就绪 – 当储存容器上升至49.75立方米时 – 21.OMSI:设置保持水平(30用于1个循环,15用于2个循环,10用于3个循环) 22. 在城市请求启动(在适当的时间点) 23. 监控堆芯温度;根据需要调整控制棒 24. 监控硼浓度;在2700转/分时停止加硼 ——当涡轮转速达到约3060转/分时—— 25. 使用同步表;在3060转/分时将指针停在中上部位置 ——当指针呈绿色亮起时—— ——检查“SYNC”是否为绿色 26. 功率开关:闭合 27. 外部电源:关闭 28. 应急发电机:自动 电厂重启,无化学物质 1. 变压器:确认开启 2. 稳压器恒温器:开启 3.稳压器加热器:开启(确认设置为中等或按需调整) – 当稳压器水温达到340°时 – 4. 稳压器加热器:设置为低 5. 旁通阀:设置为0 6. 电阻组:开启 7. 主蒸汽控制阀:设置为0 8. SMSI阀:确认设置为100(或按需调整) 9. OMSI阀:确认设置为100 10. 冷凝器泵:开启;设置为25(低) 11. 运行模式:正常 12. 主泵:开启;设置为15 13. 控制棒:设置为启动反应堆 – 当汽轮机压力达到20巴时 – 14. 真空泵:开启;设置为启动模式 – 当汽轮机压力达到55巴(或按需调整)且冷凝器压力达到0.1时 – 15. 主蒸汽控制阀:设置为5 -- 当汽轮机冷却剂体积液位达到25,000(或所需液位)时 -- 16. 二次泵:开启;设置为25 -- 当滞留罐达到50%时 -- 17. 真空泵模式:运行 – 当滞留罐上升至49.75时 – 18.OMSI:设置维持水平(1个循环30,2个循环15,3个循环10) 19. 在适当时间向城市请求启动 20. 监控堆芯温度;必要时调整控制棒 ——当涡轮转速≈3060 RPM时—— 21. 使用同步示波器;在3060 RPM时将光点停在中间顶部位置 ——当光点为绿色时—— - 确认“同步”为绿色 22. 断路器:闭合 1. 变压器:检查开启 2. 稳压器恒温器:开启 3. 稳压器加热器:开启(检查中等或根据需要) ——当稳压器水温达到340°C时—— 4. 稳压器加热器:调至低 5. 旁路:调至0 6. 电阻器组:开启 7. MSCV:调至0 8. SMSI阀门:调至100(或根据需要) 9. OMSI阀门:调至100 10. 冷凝泵:开启;调至25(低) 11.运行模式:正常 12. 主泵:开启;设置为15 13. 控制棒:设置为启动反应堆 - 当汽轮机压力达到20巴时 - 14. 真空泵:开启;激活启动模式 - 当汽轮机压力达到55巴(或按需)且冷凝器压力为0.1巴时 - 15. 主蒸汽控制阀:设置为5 - 当汽轮机冷却剂液位达到25000立方米(或所需值)时 - 16. 次泵:开启;设置为25 - 当滞留罐填充至50%时 - 17. 真空泵模式:运行就绪 - 当滞留罐达到49.75巴时 - 18. OMSI(运行模式选择界面):设置为保持液位(30对应1个回路,15对应2个回路,10对应3个回路) 19.请求城市启动(在适当时机) 20. 监控核心温度;根据需要调整控制棒 - 当涡轮转速达到约3060转/分钟时 21. 使用同步表;在3060转/分钟时将停止点调至中上部位置 - 当指针为绿色时 - 检查【SYNC】是否为绿色 22. 保护开关:闭合 23. 外部电源:关闭 24. 应急发电机:自动 图片 【Nucleares】管道和 plumbing diagram / 核电站管道及卫生设施 diagram真空泵模式:就绪 20.(可选)当旁通阀降至0时,SMSI:设置为0 – 当滞留容器压力升至49.75时 – 21.OMSI:设置为30 -- 当涡轮扭矩≥2.0时(或在适当时间) -- 22.向电站请求启动 -- 当涡轮转速达到3052转/分时 -- 23.使用同步表;在3060转/分时将停止点置于中上位置 – 当指示点为绿色时 – – 确认同步=绿色 24.断路器:闭合 25.MSCV:设置为5 26.外部电源:关闭 27.应急发电机:自动 -- 当指示点为绿色时 -- – 确认同步=绿色 24.断路器:闭合 25.MSCV:设置为5 26.外部电源:关闭 27.备用发电机:自动 初始工厂启动,使用化学品 1. 激活所有终端(包括化学品终端) 2. 稳压器温控器:开启 3. 稳压器加热器:开启 4. RCV阀门:打开 5. RCV阀门:关闭(当堆芯容器液位达到2380或所需液位时) – 当稳压器水温达到200°时 – 6. 硼注入泵:50 – 当稳压器水温达到340°时 – 7. 稳压器加热器:设为低 8. 外部电源:开启 9. 发电机:手动且关闭 10. 旁通阀:设为100 11. 电阻器组:开启 12. MSCV:设为006 13. SMSI阀门:设为100 14. OMSI阀门:设为100 15. 冷凝器泵:开启;设为25(低) 16. 运行模式:正常 17. 装载燃料 18. 主泵:开启;设为15 19.控制棒:设置为90(对应硼浓度600-700) --当二次冷却剂体积达到25,000时-- 20. 二次泵:开启;设置为25 --当滞留罐达到50%时-- 21. 真空泵:开启;确认处于启动模式 22. 当真空度达到30%时:旁通阀:设置为0 --当真空压力达到0.1巴时-- 23. 真空泵模式:运行 24. (可选)当旁通阀达到0时,SMSI:设置为0 --当滞留罐上升至49.75–时-- 25. OMSI:设置为30 --当涡轮扭矩≥2.0时(或在适当时间)-- 26. 向城市请求启动 27. 监控堆芯温度;必要时调整控制棒 28. 监控硼浓度;在2700时停止加药 --当涡轮转速达到3052 RPM时-- 29. 使用同步示波器;在3060 RPM时使光点停在顶部中间位置 --当光点为绿色时-- - 确认“同步”为绿色 30.断路器:关闭 31. 主蒸汽控制阀:设置为5 32. 外部电源:关闭 33. 备用发电机:自动 1. 激活所有连接(包括化学品) 2. 稳压器恒温器:开启 3. 稳压器加热器:开启 4. 反应堆冷却剂系统:开启 5. 反应堆冷却剂系统:关闭(当反应堆容器液位达到2380或所需液位时) – 当稳压器水温达到200°C时 – 6. 硼注入泵:50 – 当压水温度达到340°C时 – 7. 稳压器加热器:设置为低 8. 外部电源:开启 9. 发电机:手动且关闭 10. 旁通阀:设置为100 11. 电阻器组:开启 12. 主蒸汽控制阀:设置为006 13. SMSI阀:设置为100 14. OMSI阀:设置为100 15.电容器泵:开启;调至25(低) 16. 运行模式:标准 17. 装载燃料 18. 主泵:开启;调至15 19. 控制棒:调至90(对应硼浓度600–700) – 当冷却箱内冷却水量达到25000时 – 20. 次级泵:开启;调至25 – 当储存容器填充至50%时 – 21. 真空泵:开启;在启动模式下检查 22. 当真空度达到30%时:旁通阀调至0 – 当真空压力达到0.1巴时 – 23. 真空泵模式:运行 24. (可选)当旁通阀调至0后,SMSI调至0 – 当储存容器液位升至49.75时 – 25.OMSI:设置为30 – 一旦涡轮扭矩≥2.0(或在合适的时机)– 26. 从城市请求启动 27. 监控堆芯温度;根据需要调整控制棒 28. 监控硼浓度;在2700时停止加硼 – 一旦涡轮转速达到3052转/分钟– 29. 使用同步表;停止点在3060转/分钟时处于中间偏上位置 – 一旦指针为绿色– – 检查“SYNC”是否为绿色 30. 功率开关:闭合 31. MSCV:设置为5 32. 外部电源:关闭 33. 应急发电机:自动 (新增)初始回路启动 (1. 打开所有回路阀门) (2. 确认旁通阀处于100%) (3. 确认MSCV处于100%) (4. 为主回路泵排气) (5.5. 启动二次回路泵 6. 将MSCV设置为0 7. 将旁通设置为0 8. 确认电阻组已开启 9. 确认核心容器液位 10. 确认冷凝器液位 11. 正常启动循环 - 主泵调至15 - 当STG达到60巴时,将MSCV调至5,二次泵调至25 - 将OMSI设置为15(第二回路,第三回路设置为7或8) - 通过同步示波器将涡轮机连接至电网(转速3060 RPM) 12. 根据需求进行调整 (1. 打开所有控制回路阀门) (2. 检查旁通是否为100) (3. 检查MSCV是否为100) (4. 启动主回路泵) (5. 启动二次回路泵) 6. 将MSCV设置为0 7. 将旁通设置为0 8. 检查电阻组 9. 检查核心容器液位 10. 检查冷凝器液位 11.


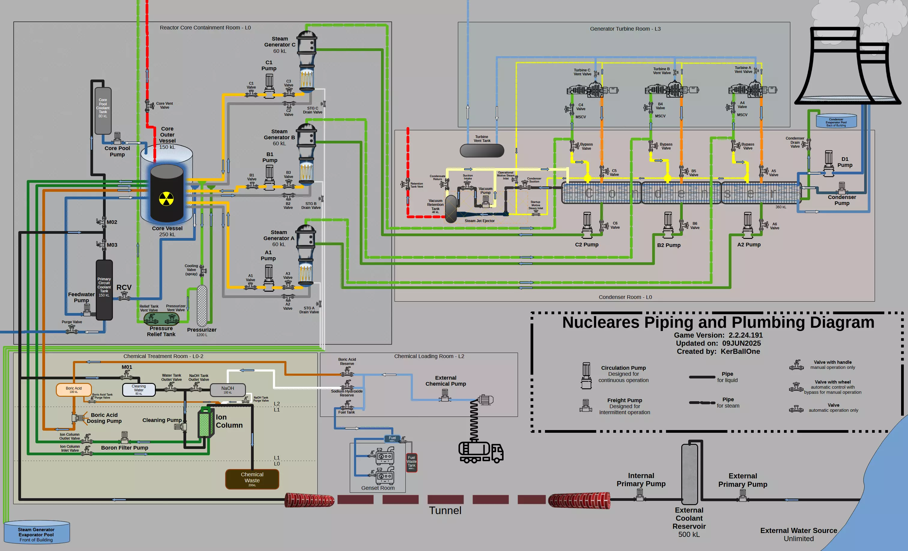
管道和仪表流程图

核反应流程图

电力服务图

手册/使用说明 感谢阅读 ⚠️致谢⚠️ 手册致谢: 图片致谢(按顺序): 1、2: 3: 4、5:




换一换 



















