《Nucleares》2.2.24.191版本管道和 plumbing 示意图(日期:2025年6月21日) Nucleares 管道和 plumbing 示意图



导读
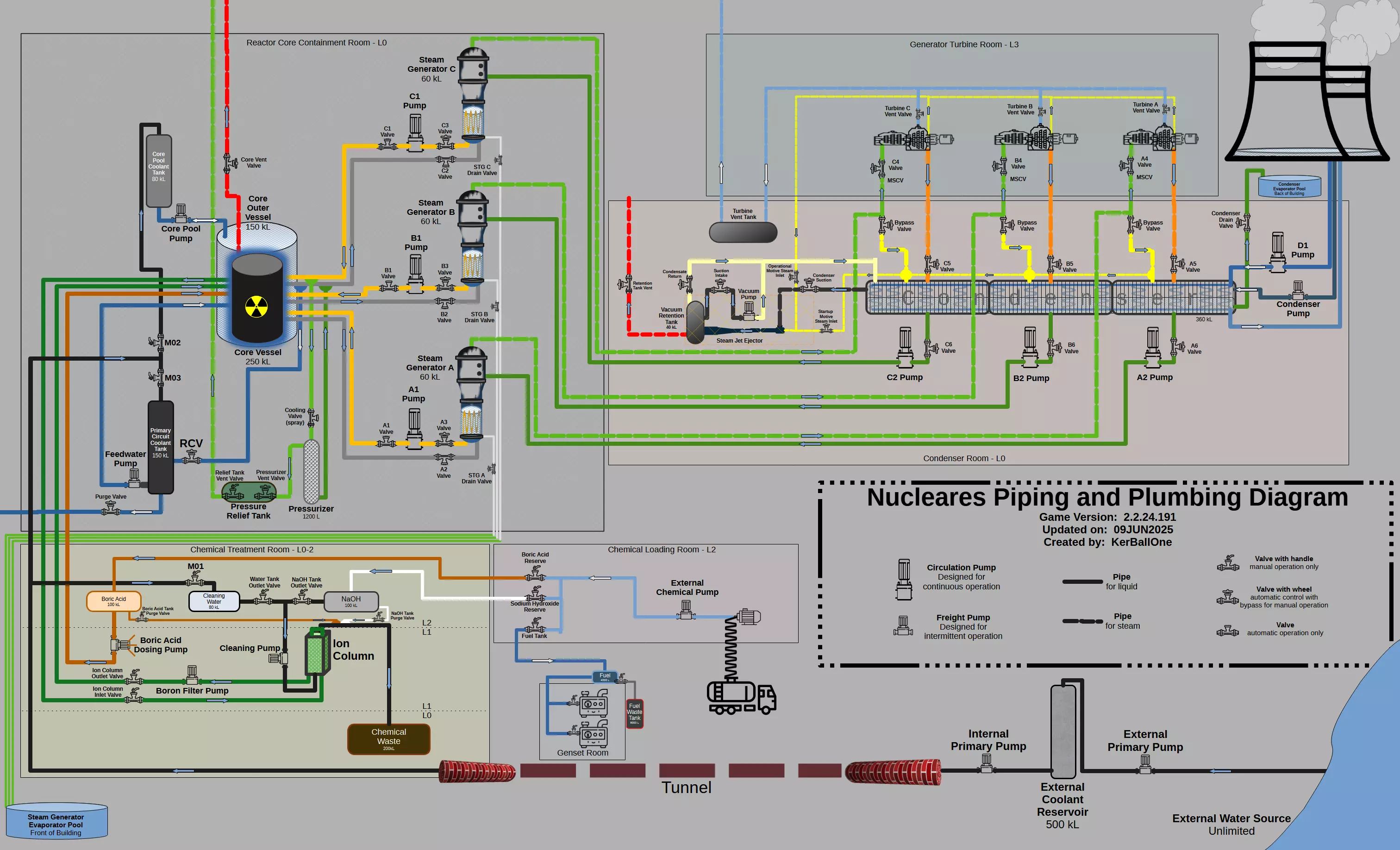
本帖分享了《核爆危机》2.2.24.191版本的Nucleares管道与plumbing示意图,涵盖反应堆、发电机涡轮等多区域管路布局,还附带了蒸汽发生器与冷凝器的参数平衡说明图,可帮助玩家理解核设施管路系统。


一份详细的《Nucleares》设施管道与仪表流程图。 简介 这是一份展示《Nucleares》设施管道与仪表的详细图表。 该图表还显示了关于泵和阀门的额外信息…

本指南提供了首次启动反应堆、根据城市电力需求增减功率输出或为维护而关闭反应堆所需步骤的快速清单和详细说明。 简介 《Nucleares》是一款动态且深度的模拟游…

航空式反应堆启动与初始稳定检查清单(根据教程)。 ☢️ 主检查清单 – 冷启动至并网 核反应堆启动与稳定检查清单 设施操作手册 – 第1节 版本01 – 202…

关于压水堆的补充信息 实用信息 以下是一些有助于你掌握压水堆(PWR)操作的补充信息。未来我会继续补充此列表。 书籍 《核工程手册》(免费PDF教材) 核动力阅…

工厂综合示意图及各组件间连接关系 简介 大家好 最初,我在探索工厂时,想要确定每个阀门或泵的位置,以便更好地理解游戏过程中发生的情况。我注意到,有时组件上的标签…

我只是在论坛上重复发了一个可能会有帮助的帖子。在帖子中,我尽量描述了2.2.5.206版本中从一个回路切换到另一个回路的过程。 执行切换 通常我会在切换到另一个…

我发现其他的都过时了,或者对我来说有点太模糊了,所以我自己做了一个。希望能帮到大家!反应堆启动清单 反应堆启动程序 初始设置 1. 电源配置 关闭发电机 开启外…

如何不擅长安全操作并快速获得对应成就 10个轻松步骤让你成为安全规程的“反面教材” 1. 开始新游戏

反应堆的技术细节、系统相关信息、协议以及需要注意的提示。用户手册

《Nucleares》2.2.24.191版本管道和 plumbing 示意图(日期:2025年6月21日) Nucleares 管道和 plumbing 示意…
