一些工厂规划图 我在游戏过程中制作的内容。 大部分规划都比较优化,不会过于复杂 混凝土和铜

基础香草植物

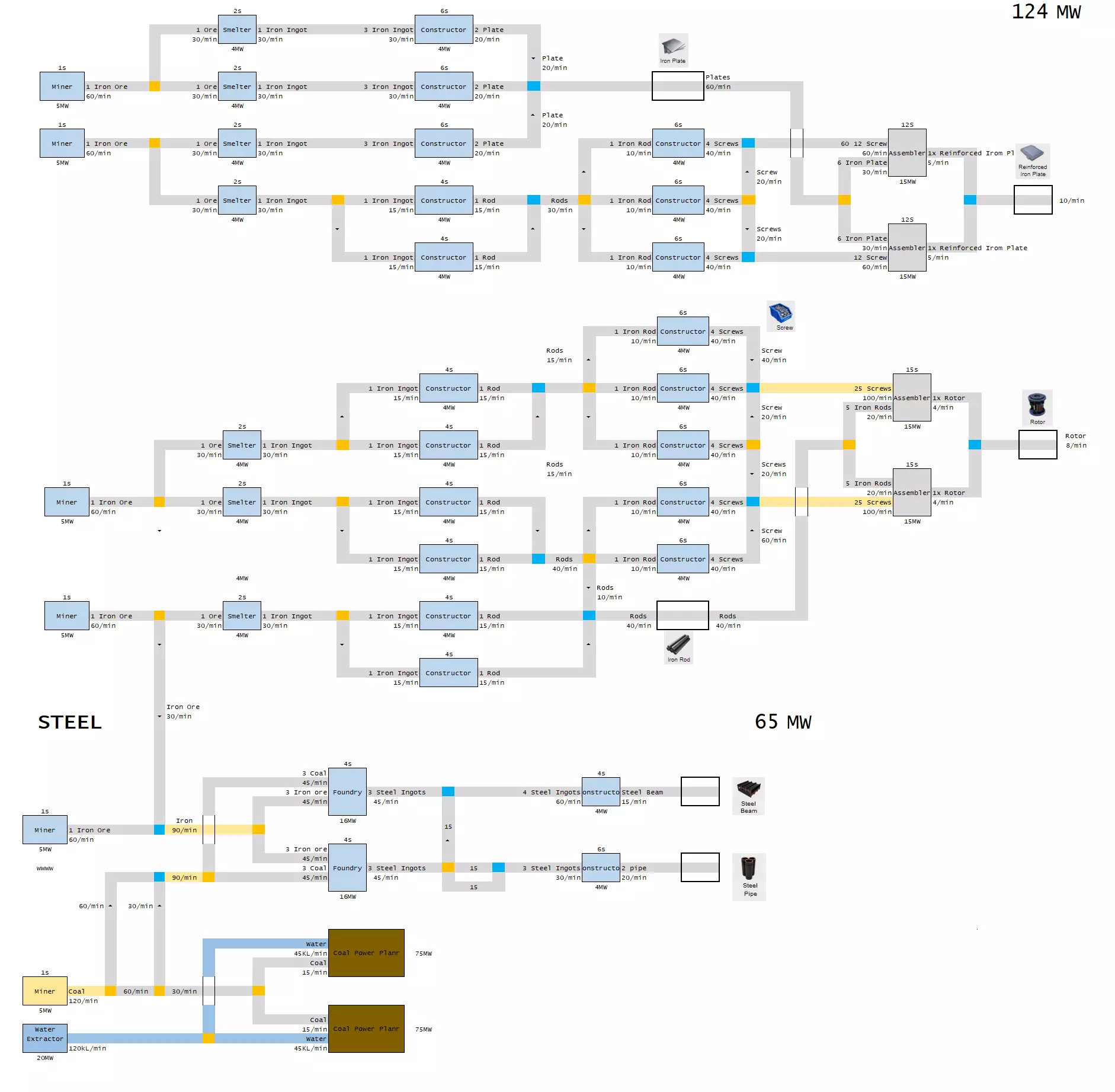
工厂升级 新增了螺丝的制作配方,因此对工厂进行了一些改造。 通常我的熔炉和工厂之间距离较远,所以我会将锭合并到一条传送带上。如果你的熔炉和工厂距离较近,可以省去合并和拆分步骤,直接将材料输送到建造机,这样能节省一些零件。


又建了一个卫星基地来制造更多的能量束

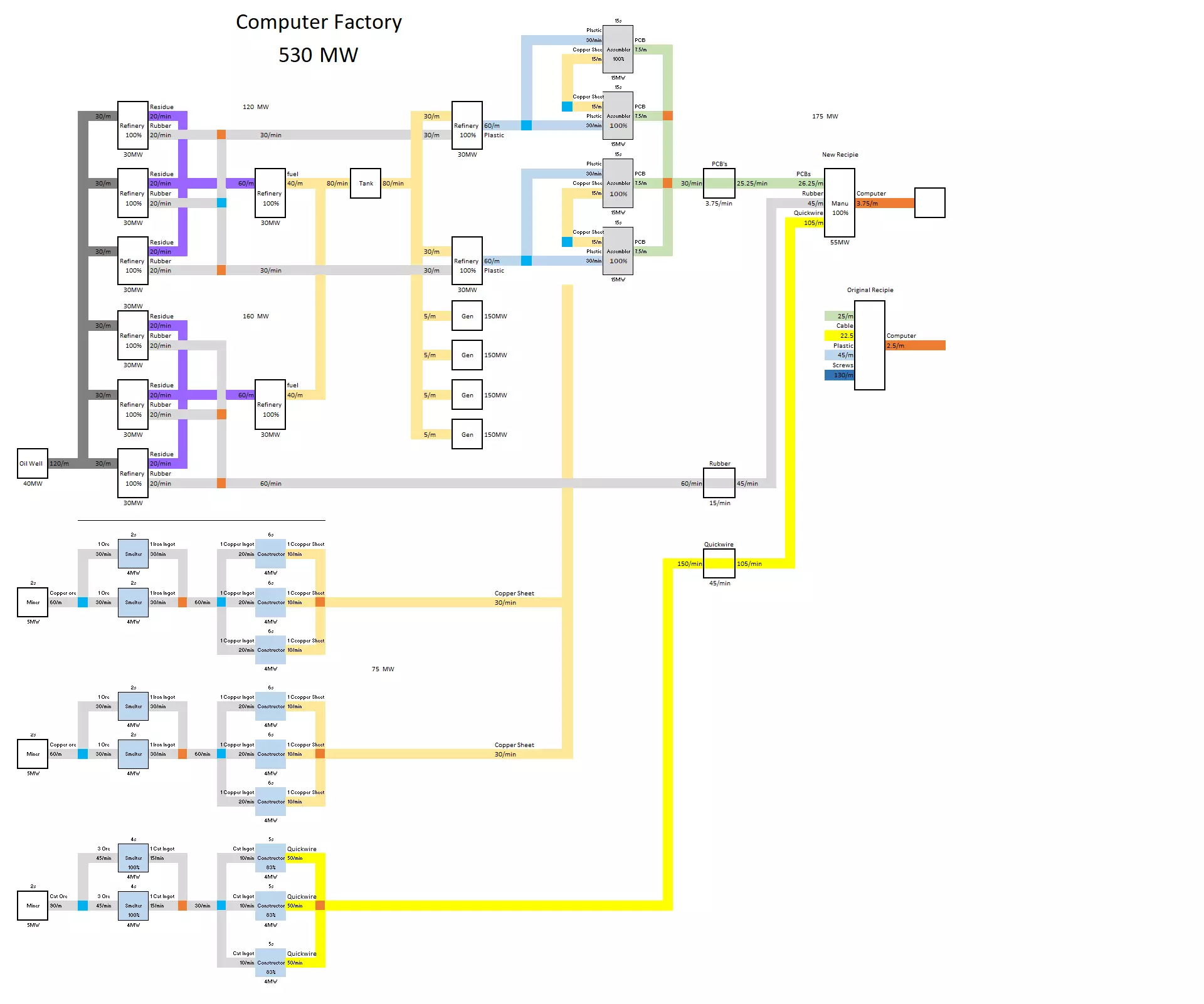
石油 首次产油 一些塑料和橡胶

更多石油 新科技 - 回收塑料和回收橡胶。计算机的替代配方

铝 铝(原版) 需要多种资源:铝土矿、煤炭、石英(硅石)、水以及铜。

在扫描铝土矿时,我在主基地“B”的南边很远的地方,也就是粉色树木高原区域,发现了一个纯矿脉。我以前从未去过那里,正好也想探索一下那个区域。它离我的三联煤矿不算太远,该煤矿为发电机提供煤炭,也为我主基地西边的钢铁厂提供炼钢用的煤炭。 制造铝所需的其他资源硅和煤炭距离也不算太远,不过寻找硅的过程堪称一场大冒险。如果说找到那些石英矿脉有简单和困难两种方式,那我肯定是选了困难的那种。 关于硅石的说明:这里所示的路线需要一些3级传送带,如果你愿意再加一个分流器,最坏情况下的负载可以控制在75/分钟,也就是使用2级传送带即可。

哎呀——我原本以为铝土矿是标准矿脉,使用二级采矿机每分钟能产出120矿石,所以制定了这些计划。后来我才意识到这是一个纯矿脉,每分钟可以产出240矿石,而且如果我想的话还可以进一步扩大规模。不过我没有放弃这些计划,还是决定把它们放在这里。我真的需要每分钟240个覆铝板吗? 这还只是一个初步草案。

动力过于过剩

等我有空的时候,我会为240铝土矿工厂添加一些计划,但你可能已经猜到了,计划内容就是将所有设施的规模翻倍,不过目前【废铝精炼厂】的运行效率只有50%,所以它除外。 我们为了获取一些石英付出了不少努力。

ĺşĺ°B

通往三座煤矿的巨大斜坡 因为宝贝,没有哪座山高到能阻挡我 没有哪个山谷深到能阻挡我 没有哪条河宽到能阻挡我 我一定要来到你身边

最终遗言 用Excel绘制 易于剪切粘贴或添加文本 可自动计算功耗





换一换 
























